[Get 23+] Wiring Diagram Star Delta Connection Motor
Download Images Library Photos and Pictures. Star Delta Starter Wiring Diagram With Timer Wiring Diagrams Instruction Diagram Car Starter Circuit Diagram Full Version Hd Quality Circuit Diagram Riyingwiring2a Lacasa Ilfilm It Single Phase Motor Wiring Diagram Star Delta Wazipoint Engineering Science Technology Star Delta Starter Line Diagram And Its Working Principle
And when the motor start after some time its. For three phase motor we use the direct online starter but mostly for small three phase motor.

. Ot 7621 Star Delta Wiring Diagram On Star Delta Motor Starter Wiring Diagram Wiring Diagram Star Delta Connection Diagram And Working Principle Hameedullah Ekhlas Pulse Linkedin Delta Connection Electrical Circuit Diagram Electrical Engineering Diagram Star Delta Starter Wiring Diagram In Hindi Full Version Hd Quality In Hindi Saminingandengineering Armaury Fr
Star Delta Starter Motor Starting Method Power Control Wiring
Star Delta Starter Motor Starting Method Power Control Wiring R1 coil r2 similarly for b phase and y phase.
. Assortment of wye start delta run motor wiring diagram. Star connection y delta connection d in star connection the starting or finishing ends similar ends of three coils are connected together to form the neutral pointa common wire is taken out from the neutral point which is called neutral. The motor is connected in star and will produce one third of dol torque at one third of dol current.
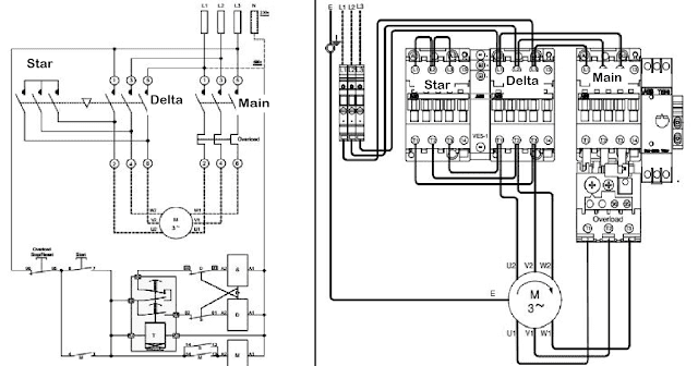
October 28 2020 february 24 2012 by electrical4u. And the two stars which come out of the starting winding of the motor are mostly black wire. A star delta starter is the most commonly used method for the starting of a 3 phase induction motor.
4 wire motor connection diagram out of the 4 wires in a 4 wire motor two wires are of the running winding and only two of the starting winding. In delta connection the opposite ends of three coils are connected togetherin other words the end of each coil is connected with the starting. But high load 3 phase motor we use the star delta starter for motor control.
What is star delta starter. From this triangle diagramwe can. For detail about star delta stater please read my last post about it.
Then once the motor reaches the. A star delta starter is a type of motor starter which runs 3 phase motor in star in starting time. Click on the.
There is minor correction is require to change printed in boxes sequence of 3 phase wires from w2 v2 u2 to w2 u2 v2 to get delta connection properly. Circuit diagram working principle theory. Yes it is possible to connect 3 phase motors in star as well as delta connection if you have winding ends noted well ie r phase.
The main and the star contactors are closed and the delta contactor is open. The wire which comes out of the running winding of the motor is usually connected with a red colored wire. Wye start delta run motor wiring diagram ms3 mega wiring diagram on hyosung wiring diagram wire center u2022 rh daniablub co wye start delta run wiring diagram air pressor delta and wye.
For star delta staterthe motor connection must have 6 cables from control panel and 6 terminals at induction motor u1u2v1v2w1w3to wiring the motor connection for star delta starterthe important thing that we must fully understand is about the basic of star delta magic triangle. In star delta starting an induction motor is connected in through a star connection throughout the starting period. Now you have 6 winding ends r1r2y1y2b1b2.
Automatic star delta starter with timer for 3 phase ac motors. In the diagram of power circuit of star delta starter u2 and v2 of 3 phase motor should be connect to 4 and 6 respectively instead of u2 and v2 are connected to 6 and 4 of delta contector km2. In this tutorial we will show the star delta y d 3 phase induction ac motor starting method by automatic star delta starter with timer with schematic power control and wiring diagram as well as how star delta starter works and their applications with advantages and disadvantages.
Star delta starter wiring diagram this post is about the main wiring connection of three phase motor with star delta starter and control wiring diagram of star delta starter.
How To Wire Star Delta Motor Starter Power And Control Circuit Youtube
Diagram 3 Phase Motor Wiring Diagram Star Delta Full Version Hd Quality Star Delta Eauclaireblackfriday Trodat Printy 4923 Fr
3 Phase Motor Wiring Diagram Star Delta 1950 Willys Wagon Wiring Diagram Schematic Fiats128 Audi A3 Waystar Fr
Star Delta Control Wiring Diagram Images
Star Delta Motor Connection Electrical Engineering Centre
Wiring Diagram Star Delta Motor
Diagram Automatic Star Delta Control Wiring Diagram Full Version Hd Quality Wiring Diagram Verndiagram Farmacia Generica It
Diagram D O L Starter Motor Wiring Diagram Star Delta Full Version Hd Quality Star Delta Pvdiagramscoen Alfieriinforma It
3 Phase Star Delta Motor Connection Diagram Pdf Lysanns
Diagram Star Delta Starter Circuit Diagram Full Version Hd Quality Circuit Diagram Nidiagram Steir Maree Fr
Diagram Star Delta Starter Control Wiring Diagram In Full Version Hd Quality Diagram In Basketballseatingdiagram Cisgabon Fr
Plc Program For Star Delta Motor Starter Plc Motor Ladder Logics
3 Phase Star Delta Wiring Diagram Diagram For Wiring A 120v Plug Ad6e6 Caubro Warmi Fr
3 Phase Star Delta Wiring Diagram Diagram For Wiring A 120v Plug Ad6e6 Caubro Warmi Fr
Star Delta Starter Y D Starter Power Control Wiring Diagram
Diagram Control Wiring Diagram Star Delta Starter Full Version Hd Quality Delta Starter Americanjobtrader Caraman Rugby Fr
Diagram 3 Phase Delta Motor Wiring Diagram Full Version Hd Quality Wiring Diagram Humandiagrams Godsavethekitchen Fr
Star Delta Starter Y D Starter Power Control Wiring Diagram Electrical Circuit Diagram Electricity Delta Connection
Wiring Diagram Star Delta Connection In 3 Phase Induction Motor Endear Wiring Diagram Star Delta Starter Delta Connection Diagram Circuit Diagram
Diagram Wiring Diagram For Star Delta Motor Full Version Hd Quality Delta Motor Ithandbook Behenry Fr
Plc Program For Star Delta Motor Starter Plc Motor Ladder Logics
Star Delta Connection Diagram And Working Principle Hameedullah Ekhlas Pulse Linkedin Delta Connection Electrical Circuit Diagram Electrical Engineering
Single Phase Motor Wiring Diagram Star Delta
Wazipoint Engineering Science Technology Star Delta Starter Line Diagram And Its Working Principle
Diagram Star Delta Wiring Diagram Explanation Full Version Hd Quality Diagram Explanation Wiringxl21 Hotelristoranteeuropa It
Comentarios
Publicar un comentario